No products
Zur Kasse
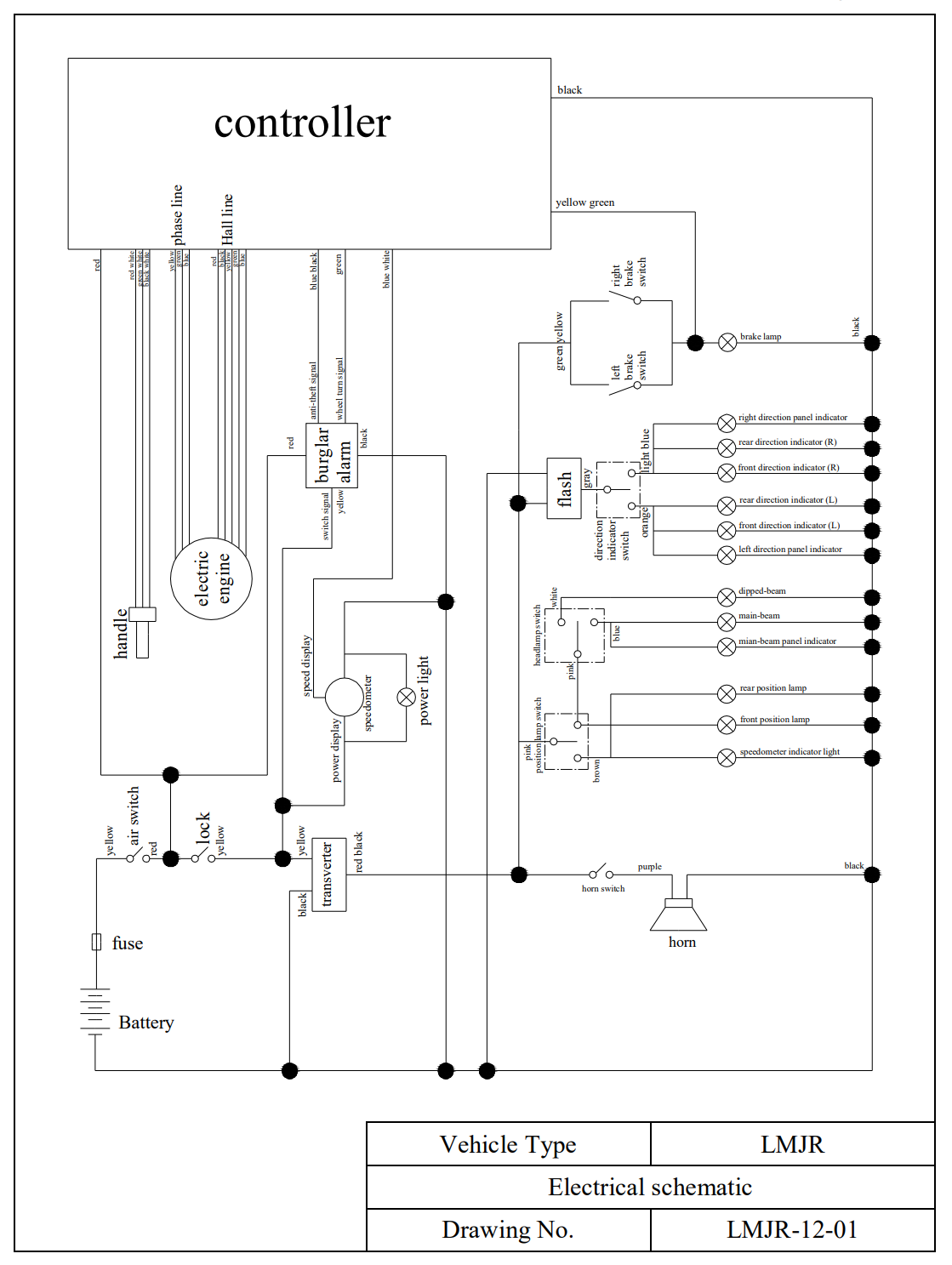
Schaltplan Elektroroller Classico
Schaltplan Eagle
Schaltplan E-Groove
Schaltplan Falcon
Schaltplan One
Schaltplan Vita Care 1000, 2000
Schaltplan Vita Care 4000
Schaltplan X9
Schaltplan Angry Hawk
Schaltplan Hawk